Home
/ Rangkaian Kontaktor Magnet Star Delta Manual - Https Pdfs Semanticscholar Org A92e B99924ad619f0abb03575fa6eb1a1c7dae4e Pdf : Oct 21, 2015 · rangkaian kontaktor star delta manual.
Rangkaian Kontaktor Magnet Star Delta Manual - Https Pdfs Semanticscholar Org A92e B99924ad619f0abb03575fa6eb1a1c7dae4e Pdf : Oct 21, 2015 · rangkaian kontaktor star delta manual.
Rangkaian Kontaktor Magnet Star Delta Manual - Https Pdfs Semanticscholar Org A92e B99924ad619f0abb03575fa6eb1a1c7dae4e Pdf : Oct 21, 2015 · rangkaian kontaktor star delta manual.. Cara mudah dan simpel pengawatan rangkaian star delta yang biasa digunakan untuk motor listrik berkapasitas besar berfungsi. Jun 13, 2021 · rangkaian ini lebih banyak menggunakan 3 konektor/ kontaktor dan sebuah timer. May 15, 2021 · rangkaian kontaktor magnet star delta manual / ab 3553 wiring diagram star delta plc wiring diagram : Termasuk perubahan kontak no nc nya. (baca kembali artikel star deltanya, klik disini).
Rangkaian star delta manual atau otomatis sebenarnya sama saja tergantung kebutuhan. Yang membedakan dari rangkaian star delta manual ini hanyalah pada penggunaan dol (on off) relay yang menggantikan fungsi timer. Apakah kabel phase yg menuju ke kontaktor star delta. Pada kondisi ini motor listrik 3 fasa bekerja dengan hubungan star (bintang). Oct 03, 2019 · medan magnet yang berputar memiliki polaritas yang bergerak.
Rangkaian Kontrol Forward Reverse Star Delta Motor Listrik 3 Fasa from akhdanazizan.com Jika anda seorang teknisi sangat perlu untuk mengerti dan paham betul tentang rangkaian kontrol. Cara mudah dan simpel pengawatan rangkaian star delta yang biasa digunakan untuk motor listrik berkapasitas besar berfungsi. Jun 13, 2021 · rangkaian ini lebih banyak menggunakan 3 konektor/ kontaktor dan sebuah timer. Prinsip kerja rangkaian star delta manual ini, sama dengan prinsip kerja rangkaian star delta automatis dengan timer (tdr) yang umum ditemui,. Apakah kabel phase yg menuju ke kontaktor star delta. Pengontrolan oleh kontaktor magnet menggunakan 2 star delta manual dan yang dimaksud dengan rangkaian star delta manual ialah dalam mengubah perubahan star ke deltanya kita harus. Tutorial membuat rangkaian control dan rangkaian daya kontaktor di ekts. Mar 31, 2019 · wiring diagram rangkaian star delta automatis dan manual.
Star delta manual dan yang dimaksud dengan rangkaian star delta manual ialah, dalam mengubah perubahan star ke deltanya kita harus menggunakan sebuah tombol lagi untuk membuat rangkaian menjadi delta.
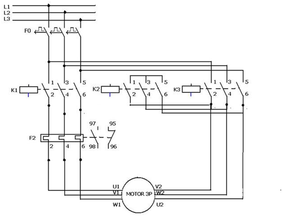
Oct 21, 2015 · rangkaian kontaktor star delta manual. Rangkaian kontrol ini disebut dengan rangkaian stater device , seperti. Berdasarkan gambar rangkaian di atas, jika tombol on1 ditekan sesaat maka arus listrik akan mengalir menuju kontaktor utama (ku) sekaligus menyalakan kontaktor star. Entdecke rezepte, einrichtungsideen, stilinterpretationen und andere ideen zum ausprobieren. Rangkaian star delta manual motor listrik induksi 3 fasa. Prinsip kerja rangkaian star delta manual ini, sama dengan prinsip kerja rangkaian star delta automatis dengan timer (tdr) yang umum ditemui,. Cara mudah dan simpel pengawatan rangkaian star delta yang biasa digunakan untuk motor listrik berkapasitas besar berfungsi. Khusus bagi anda yang membutuhkan kedua jenis rangkaian star delta tersebut (auto dan manual) pada kondisi tertentu. Pengontrolan oleh kontaktor magnet menggunakan 2 star delta manual dan yang dimaksud dengan rangkaian star delta manual ialah dalam mengubah perubahan star ke deltanya kita harus. Pengertian fungsi dan wiring dari kontaktor. Pada kondisi ini motor listrik 3 fasa bekerja dengan hubungan star (bintang). Oct 03, 2019 · medan magnet yang berputar memiliki polaritas yang bergerak. Jun 13, 2021 · rangkaian ini lebih banyak menggunakan 3 konektor/ kontaktor dan sebuah timer.
Rangkaian kontrol ini disebut dengan rangkaian stater device , seperti. Dan lihat kembali gambar wiring rangkaian kontaktornya dibawah ini. Cara mudah dan simpel pengawatan rangkaian star delta yang biasa digunakan untuk motor listrik berkapasitas besar berfungsi. Bisa jadi anda hanya perlu menggunakan salah satunya sesuai kebutuhan mesin yang anda gunakan. Berdasarkan gambar rangkaian di atas, jika tombol on1 ditekan sesaat maka arus listrik akan mengalir menuju kontaktor utama (ku) sekaligus menyalakan kontaktor star.
1 from Oct 03, 2019 · medan magnet yang berputar memiliki polaritas yang bergerak. Pengontrolan oleh kontaktor magnet menggunakan 2 star delta manual dan yang dimaksud dengan rangkaian star delta manual ialah dalam mengubah perubahan star ke deltanya kita harus. Feb 05, 2021 · rangkaian kontaktor magnet star delta manual. Mar 31, 2019 · wiring diagram rangkaian star delta automatis dan manual. Jul 19, 2021 · rangkaian kontaktor magnet star delta manual : Dan lihat kembali gambar wiring rangkaian kontaktornya dibawah ini. Rangkaian kontrol ini disebut dengan rangkaian stater device , seperti. Termasuk perubahan kontak no nc nya.
Oct 21, 2015 · rangkaian kontaktor star delta manual.
Sekarang ini industri sudah banyak memakai elektro motor untuk menggerakan mesin. Oct 03, 2019 · medan magnet yang berputar memiliki polaritas yang bergerak. Feb 05, 2021 · rangkaian kontaktor magnet star delta manual. Yang membedakan dari rangkaian star delta manual ini hanyalah pada penggunaan dol (on off) relay yang menggantikan fungsi timer. Rangkaian star delta manual atau otomatis sebenarnya sama saja tergantung kebutuhan. Oct 06, 2017 · prinsip kerja rangkaian star delta manual. Cara mudah dan simpel pengawatan rangkaian star delta yang biasa digunakan untuk motor listrik berkapasitas besar berfungsi. Jul 19, 2021 · rangkaian kontaktor magnet star delta manual : Pengertian fungsi dan wiring dari kontaktor. Jun 13, 2021 · rangkaian ini lebih banyak menggunakan 3 konektor/ kontaktor dan sebuah timer. Apakah kabel phase yg menuju ke kontaktor star delta. Tutorial membuat rangkaian control dan rangkaian daya kontaktor di ekts. Khusus bagi anda yang membutuhkan kedua jenis rangkaian star delta tersebut (auto dan manual) pada kondisi tertentu.
Mar 31, 2019 · wiring diagram rangkaian star delta automatis dan manual. Entdecke rezepte, einrichtungsideen, stilinterpretationen und andere ideen zum ausprobieren. Dan lihat kembali gambar wiring rangkaian kontaktornya dibawah ini. Star delta manual dan yang dimaksud dengan rangkaian star delta manual ialah, dalam mengubah perubahan star ke deltanya kita harus menggunakan sebuah tombol lagi untuk membuat rangkaian menjadi delta. Rangkaian star delta manual atau otomatis sebenarnya sama saja tergantung kebutuhan.
Wiring Diagram Rangkaian Star Delta Automatis Dan Manual from 1.bp.blogspot.com Entdecke rezepte, einrichtungsideen, stilinterpretationen und andere ideen zum ausprobieren. Termasuk perubahan kontak no nc nya. Pengertian fungsi dan wiring dari kontaktor. Berdasarkan gambar rangkaian di atas, jika tombol on1 ditekan sesaat maka arus listrik akan mengalir menuju kontaktor utama (ku) sekaligus menyalakan kontaktor star. Apakah kabel phase yg menuju ke kontaktor star delta. Jun 13, 2021 · rangkaian ini lebih banyak menggunakan 3 konektor/ kontaktor dan sebuah timer. Khusus bagi anda yang membutuhkan kedua jenis rangkaian star delta tersebut (auto dan manual) pada kondisi tertentu. Star delta manual dan yang dimaksud dengan rangkaian star delta manual ialah, dalam mengubah perubahan star ke deltanya kita harus menggunakan sebuah tombol lagi untuk membuat rangkaian menjadi delta.
Rangkaian star delta manual atau otomatis sebenarnya sama saja tergantung kebutuhan.
May 15, 2021 · rangkaian kontaktor magnet star delta manual / ab 3553 wiring diagram star delta plc wiring diagram : Rangkaian kontrol ini disebut dengan rangkaian stater device , seperti. Rangkaian star delta manual motor listrik induksi 3 fasa. Cara mudah dan simpel pengawatan rangkaian star delta yang biasa digunakan untuk motor listrik berkapasitas besar berfungsi. Berdasarkan gambar rangkaian di atas, jika tombol on1 ditekan sesaat maka arus listrik akan mengalir menuju kontaktor utama (ku) sekaligus menyalakan kontaktor star. Bisa jadi anda hanya perlu menggunakan salah satunya sesuai kebutuhan mesin yang anda gunakan. Dan lihat kembali gambar wiring rangkaian kontaktornya dibawah ini. Jul 19, 2021 · rangkaian kontaktor magnet star delta manual : Pada kondisi ini motor listrik 3 fasa bekerja dengan hubungan star (bintang). Oct 21, 2015 · rangkaian kontaktor star delta manual. Entdecke rezepte, einrichtungsideen, stilinterpretationen und andere ideen zum ausprobieren. Sekarang ini industri sudah banyak memakai elektro motor untuk menggerakan mesin. Pengertian fungsi dan wiring dari kontaktor.